Aids to Understanding
The Meaning of Capacitance
Whenever we are asked to explain what a capacitance of 2000 m F means we first look at the units of F. Thus 2000 m F means 2000 mCV-1. This means little on its own so we need to elaborate a little further. If we recall the activity that first led us to the concept of capacitance it should be clear that 2000 mCV-1 means that for every 2000 mC placed on the capacitor, its pd rises by 1 V.
The Coulombmeter
The Coulombmeter consists of a capacitor. Whenever we use it to measure the charge on a capacitor's plate we connect the
Coulombmeter in parallel with the capacitor and the charge is transferred from the capacitor to the Coulombmeter. However unless the Coulombmeter's capacitor (2000 mF) is much larger than the capacitance of the the capacitor whose charge it is we wish to measure then the capacitors will share the charge and an inaccurate reading will occur. In the first activity we used a capacitor of 1.0 m F
Capacitors in parallel
For resistors in parallel we use the fact that the pd across components in parallel are equal. Use this fact to find an expression for capacitors inparallel. Compare this with the expression for resistors in parallel. If we have a number of resistances in parallel then the largest resistance will have the smallest current flowing in it. This is a fact. Write an equivalent expression for capacitances in parallel. Remember C = Q/V.
Energy and Capacitors
In unit 2.1 you learned that the work done in pushing a charge, Q, through a pd of V, is equal to QV and we say W = QV. The work done in charging a capacitor, by an external source, is exactly 1/2 QV, however. Thus although the source is placing charges on the capacitor against the field the field it is working against is only at a maximum at the end of the charging process. Given the field is zero inititally we can think of the source working against an average field and thus the energy stored in a capacitor with a charge Q on one of its plates and a pd of V between the plates, is equal to E = 1/2QV. In this argument it was assumed that the E field between the plates is proportional to the pd between the plates. This is entirely justified and it can be shown that E = V/d where d is the distance between the plates.
Capacitors in dc circuits
The characterist curves described in the main text should be memorised but also understood. To help us here we need to recall our circuit rules for dc circuits, ie the current in a dc circuit is the same at all points. This means there is only one characteristic graph for current building up in a CR circuit. The fact that the current falls to zero can be explained by thinking of the capacitor gradually becoming charged up and therefore opposing more charge from joining it. When the pd across the capacitor equals the pd of the cell the current is zero.
The voltage across components in series always sums to the voltage of the cell therefore as the pd rises across the capacitor it must fall across the resistor. whenever a capacitor discharges through a resistor the voltage across each must be the same across both components so the characteristic voltage graphs are identical.
Read this paragraph in conjuction with the graphs in the main text on the right.
Problem Solving
The following points must be borne in mind.
1. The charge stored on a capacitor is the area under its I-t graph.
2. The initial charging current is independent of the value of the capacitor and depends only on Voltage of cell and resistance of resistor, ie I = v/R.
3. The energy stored on a capacitor is the area under its Q-V graph.
4. For a CR circuit the voltage across each component always sum to the voltage of the cell at ALL times during charging or discharging.
This list is not comprehensive but represents some points that students occasionally miss or forget.
ac supplies and Capacitors
The result that current increases with frequency in ac circuits contaning capacitors might surprise you but it ties in with our previous work.
In a dc circuit the capacitor gradually charges up and prevents further charge from joining it. with an ac supply, the charge never quites get time to charge up the capacitor before the signal changes. As the frequency increases this effect is further enhanced therefore the opposition to charge decreases with increasing frequency and the current increases. We call the opposition to ac current reactance and clearly the reactance of a capacitor decreases with increasing currenty. This result should be compared with resistors in ac circuits. The current in an ac circuit with a resistance does not change with changing frequency.
1) Charge and pd relationship for two parallel conducting plates
If we place two conducting plates close together and deposit a charge on one then an equal but opposite charge appears on the inside face of the other. If
we then investigate the pd across the plates as for different magnitudes of charge then we find both quantities are in direct proportion. This is illustrated
below. This phenomenon introduces us to the concept of capacitance and we say the parallel plates have a capacity for storing charge. This will become clearer
when we consider capacitors as components in circuits, ie circuit elements.
2) Investigating pd and charge for capacitors in circuits.
The following circuit is used to investigate the pd applied to a capacitor and the charge stored on one of its plates. A table and graph is shown. The pd is varied using the potentiometer in 0.2 V steps. when the switch is in position 1 the capacitor charges, in position 2 the capacitor discharges through
the Coulombmeter and the reading is displayed.
3) Capacitance defined.
From the above activity we can see the gradient of the line is equal to Q/V = 1.0
mF. This means for every p.d of 1.0 V applied to a 1.0
m F capacitor, the capacitor will store 1.0
mC of charge and we write C = Q/V. The units of capacitance are CV
-1 and we say 1 CV
-1 = 1 F (remember in this statement C is for Coulombs). Circuit capacitors have capacitances much less than 1 F and tend to be stated in
mF or mF. From this discussion it should be clear that the capacitance of a capacitor is equal to the ratio of charge to p.d.
4) Problems using C = Q/V.
The following problem is typical of the question you might get using C = Q/V.
A circuit capacitor has a capacitance of 2000 mF and a maximum working voltage of 15 V. This means if the voltage applied to the capacitor exceeds 15 V then it is likely the capacitor will be damaged. The following questions could now be asked
i) Calulate the maximum charge this capacitor can hold if it is not to be overloaded. Answer: Q = C V = 2000 mF x 15 V = 30 000 mC.
ii) If the capacitor is connected into an ac supply, then what is the maximum V
rms that can be used if the capacitor is not to be overloaded?
Answer:
The peak voltage of the ac supply must not exceed 15 V, therfore V
rms = V
pk ⁄ √ 2 = 15 V ⁄ √ 2 = 10.6 V.
5) Energy matters and capacitance
Whenever two negative charges are pushed together their natural repulsion for each other must be overcome. Thus the force pushing them together does work and the
work done is equal to the gain in electric potential energy of the two charges. This is precisely what is happening when charge builds up on a capacitor.
6) Work done and Q-V graphs
When a source of energy (cell or manual effort) deposits charge on a capacitor work needs to be done (energy expended) and this energy is stored between the capacitor's plate as electrical potential energy of the charges on its plates. Since the pd (energy per coulomb) between the plates rises in direct proportion to the charge deposited, we can draw the following graph. It should be clear that the area under this graph is the total energy needed to charge the capacitor and therefore the total energy stored between its plates, by virtue of the charge deposited there,
7) Investigating current and voltage in dc circuits containing capacitors
Now we have established some properties of capacitors it is appropriate to investigate current and voltage in RC circuits. An RC circuit is a circuit containing
a capacitor and resistor in series. Firstly we will investigate RC circuits with dc supplies.
1. Investigating current in an RC circuit.
A capacitor consists of two conducting plates that are insulated from each other. The insulation can either be air or some other material. Since
no charges can flow through a capacitor we might expect the current in circuits containing capacitors might also be zero. We find this is not the case
as the investigations show.

The image above is colour coded. Red represents the circuit, data and graph for matters involving charging the capacitor. Blue represents the circuit, data
and graph for matters involving discharging the capacitor. Note the initial current in both cases is 3 mA, which is V/R nd the area under each graph is equal to the charge transferred to the capacitor during charging and the charge that leaves the capacitor during discharging.
2. Investigating voltage in an RC circuit (i) Charging.
Whenever a current flows in an RC circuit, charges build up on the capacitor thus raising the pd across its plates V
c, additionally the current flowing in the resistor means a pd exists across the ends of the resistor, V
R. since we have a series circuit we can say;
V
cell = V
c + V
R. This means if we know the current characteristic (graph) for a charging and discharging capacitor we can draw
the voltage characteristics.

Note that the right hand columns of each table add up to 3.0 V. This is to be expected since V
cell = V
c + V
R.
2. Investigating voltage in an RC circuit (ii) Discharging.
If we throw the switch to position 2, the capacitor will discharge through the resistor and the pd between its plates will fall. Note that during discharging the
capacitor and resistor are in parallel. This means the pd across them will be equal and thus their pd discharging graphs are identical.
8) Problems on CR circuits when the supply is dc
These problems require you to understand the steps involved in finding the current and pd characteristic graphs for charging and discharging. The labelling
of the graphs are required as well. Study the graphs above and try the following problem.
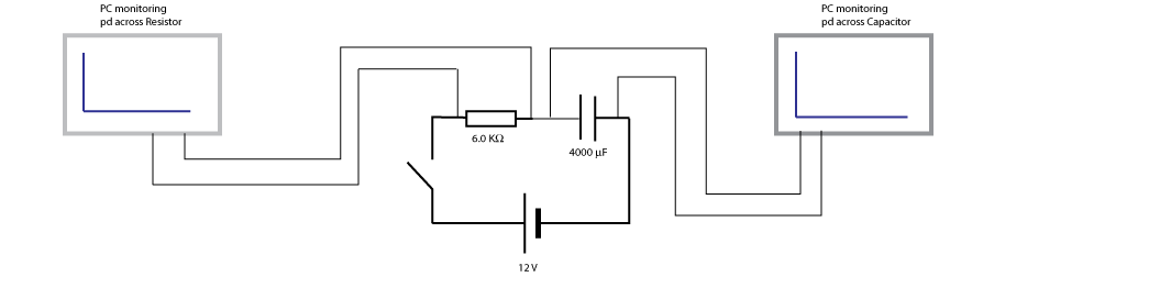
Example

The pc terminals above monitor the pd across the capacitor and resistor when the switch is closed. If the capacitor takes 100.0s to completely charge...
i) Draw what will be seen on the pc monitors. Numerical values on axes are required for a full answer.
ii) Draw the current-time graph for the circuit. Numerical values on axes are required for a full answer.
iii) How much charge is stored on the capacitor when fully charged.
iv) How much energy is stored on the capacitor when it is fully charged.
9) Capacitors in ac circuits
Up to now we have discussed capacitors in dc circuits. If we connect a capacitor into an ac source the natural thing to investigate is current in the circuit and the
frequency of the source. The circuit below enables us to do this and the result of the activity is shown on the graph.
The fact that current increases with frequency is a useful fact to engineers when they are designing electronic circuits.
10) Uses of capacitors
Modern electronics would not be possible without capacitors. You are invited to find out the following.
1. Why are capacitors are needed in flash lights for cameras.
2. What property of capacitors allow it to block dc signals but pass ac signals
3. Modern electronic circuits work with dc signals, but they are connected in the ac mains supply. Find out what rectification means and then find out what smoothing
means. Find out how capacitors smooth a rectified signal.
Higher Physics .. Unit 2 Electricity and Electronics .. 2.3 Capacitance .. BR (2011)